当前位置:
首页
>
政府信息公开
>
县直部门
>
县医保局
>
财政信息
索 引 号:76547/2025-2309688
发布机构:县医保局
生成日期:2025-08-22 10:58:31.0
公开日期:2025-08-22
公开方式:政府网站
公开范围:全部公开
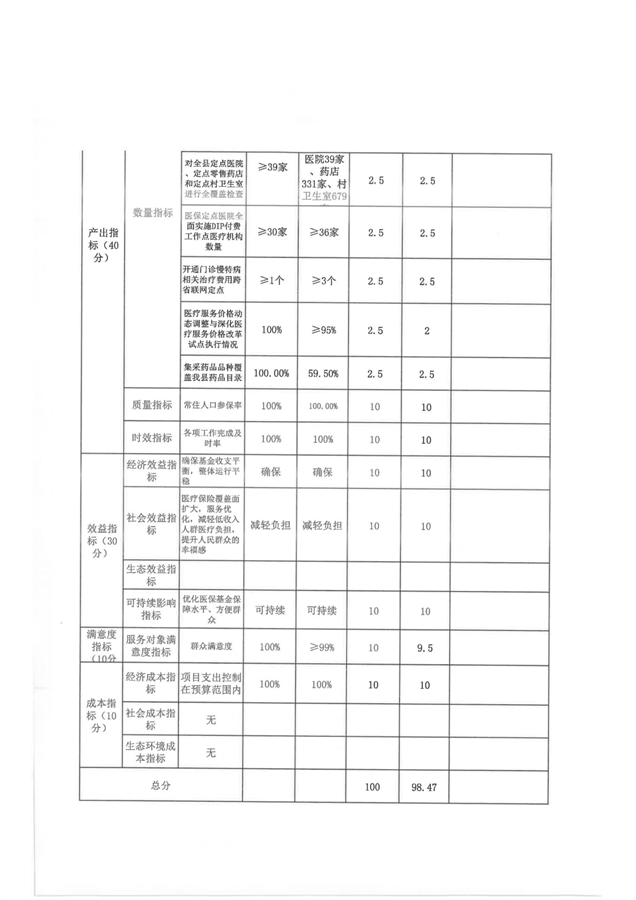
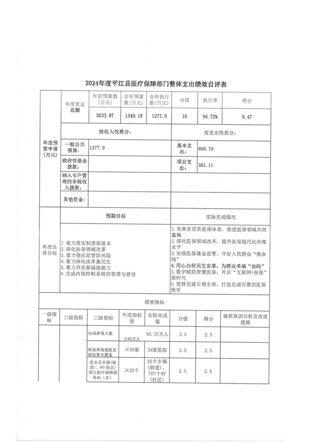
2024年度平江县医疗保障局部门决算公开
来源:县医疗保障局
2025-08-22 10:58
|
|
|
|