当前位置:
首页
>
政府信息公开
>
县直部门
>
县住房和城乡建设局
>
行政执法公示
>
事前公示
>
行政裁量权基准
索 引 号:73/2025-2331813
发布机构:县住建局
生成日期:2025-04-10 08:31:21.0
公开日期:2025-04-10
公开方式:政府网站
公开范围:全部公开
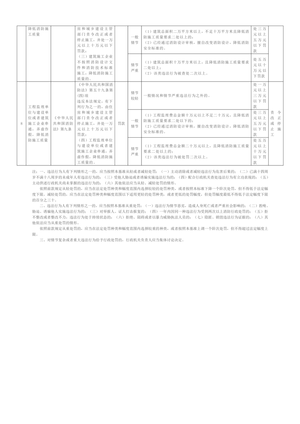
关于印发《岳阳市建设工程消防行政处罚自由裁量基准》的通知(岳建发[2022]12号)
来源:县住建局
2025-04-10 08:31
|
|
|
|