当前位置:
首页
>
政府信息公开
>
其他单位
>
县润恒自来水有限公司
>
水质监测
索 引 号:52/2025-2292055
发布机构:县润恒自来水有限公司
生成日期:2025-05-16 09:11:26.0
公开日期:2025-05-16
公开方式:政府网站
公开范围:全部公开
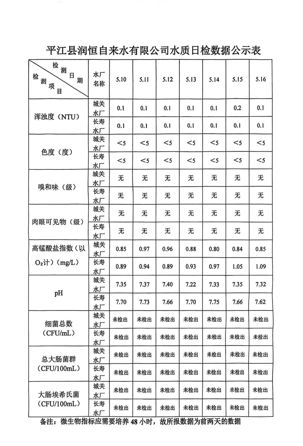
平江县润恒自来水有限公司水质日检数据公示表5.16
来源:县自来水公司
2025-05-16 09:11
|
|
|
|